Поиск подшипника
Статьи
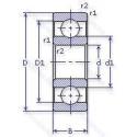
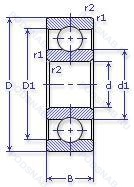
6-1000832 ЛТ1 — Шариковый радиальный однорядный подшипник, модификация основного исполнения 1000832, производство ГПЗ.
Размер подшипника: 160x200x20 мм.
180°, температура отпуска, сепаратор из латуни.
Аналоги: 61832MAP6S1.
Государственный стандарт ГОСТ
61000832ЛТ1
В наличии
| Обозначение | Конструктивные изменения |
|---|---|
| 5-1000832 ЛТ1 | Сепаратор из латуни.. 180°. Температура отпуска. |
| 1000832 | Шариковый радиальный однорядный подшипник. Основное конструктивное исполнение. |
| 1000832-БТ | Температура отпуска. 160°. Сепаратор из безоловянистой бронзы.. |
| 1000832-Л | Сепаратор из латуни.. |
| 1000832-ЛТ1 | Сепаратор из латуни.. 180°. Температура отпуска. |
| 26-1000832 БТ1 | 180°. Сепаратор из безоловянистой бронзы.. Температура отпуска. |
| 6-1000832 Л | Сепаратор из латуни.. |
| 6-1000832б1т | Шариковый радиальный однорядный подшипник. |
Модификации шарикового подшипника 6-1000832 ЛТ1 — это измененное основное конструктивное исполнение 1000832, основные размеры (160x200x20) не отличаются.
| Обозначение | Гост | Конструктивные особенности |
|---|---|---|
| 61832 2BRS | ISO | Бесконтактные лабиринтные уплотнения с обеих сторон. |
| 61832 2URS | ISO | Специальное манжетное уплотнение с обеих сторон подшипника. |
| 61832 2Z | ISO | Защитные металлические шайбы с обеих сторон подшипника. |
| 61832 BRS | ISO | Бесконтактные лабиринтные уплотнения с одной стороны. |
| 61832 URS | ISO | Шариковый радиальный однорядный подшипник. |
| 61832 Z | ISO | щит из листовой прессованной стали с одной стороны подшипника. |
| 71832 ACD/HCP4A | ISO | Измененная или модифицированная внутренняя конструкция при неизменных основных размерах. 25° Угол контакта. |
| 71832 CD/HCP4A | ISO | Измененная или модифицированная внутренняя конструкция при неизменных основных размерах. Двухкомпонентный штампованный стальной сепаратор с направляющим кольцом. |
| 71832 CD/P4A | ISO | Двухкомпонентный штампованный стальной сепаратор с направляющим кольцом. Точность размеров в соответствии с классом допуска ISO 4. точность вращения лучше чем класс допуска ISO 4. |
| 61832 ZZ | ISO | Защитные металлические шайбы с обеих сторон. |
| 6832N | ISO | Канавка для стопорного кольца на наружном кольце. |
| 683-2Z | ISO | Защитные металлические шайбы с обеих сторон подшипника. |
| 6832-2RZ | ISO | Шарикоподшипник. С уплотнением и низким коэффициентом трения с обеих сторон. Уплотнение состоит из шайбы из листовой стали с вулканизированной резиной. |
| 6832-RZ | ISO | Один стальное уплотнение и одно резиновое. |
| 6832ZZ | ISO | Защитные металлические шайбы с обеих сторон. |
| 6832-2RD | ISO | Облегченное контактное уплотнение с двух сторон.. |
| 6832DDU | ISO | Резиновые уплотнения с каждой стороны подшипника. |
| 6832VV | ISO | Защитные металлические шайбы. с обеих сторон подшипника. Бесконтактное уплотнение. (лучше. чем ZZ. Можно использовать в умеренно запыленной среде). |
| 6832ZZS | ISO | Защитные металлические шайбы с двух сторон подшипника (удерживается стопорным кольцом на внешнем кольце - обычно для миниатюрных шарикоподшипников). |
Аналог шарикового подшипника 6-1000832 ЛТ1 — это подшипник такого же размера dx160,Dx200,Bx20, типа и конструкции.
| Обозначение | Конструктивные особенности | Внутренний (d) | Наружный (D) | Ширина (B) |
|---|---|---|---|---|
| 6832ZZ NR | Подшипник однорядный шариковый радиальный. Защитные металлические шайбы с обеих сторон. Канавка под стопорное кольцо на наружном кольце с соответствующим стопорным кольцом. | 160.00 | 200.00 | 20.00 |
| 61832-C2 | Подшипник однорядный шариковый радиальный. Внутренний зазор подшипника меньше нормального. | 160.00 | 200.00 | 20.00 |
| 5S-7832CG/GNP42 | Шариковый радиально-упорный однорядный подшипник. Универсальный подшипник. Резьбовой винт со стопором и защелкой. Класс точности JIS4 для размеров и JIS 2 для точности вращения. Гибридный подшипник. | 160.00 | 200.00 | 20.00 |
| 7832CG/GNP42 | Шариковый радиально-упорный однорядный подшипник. Универсальный подшипник. Резьбовой винт со стопором и защелкой. Класс точности JIS4 для размеров и JIS 2 для точности вращения. | 160.00 | 200.00 | 20.00 |
| SF3227PX1 | Шариковый радиально-упорный однорядный подшипник. Специальный допуск. | 160.00 | 200.00 | 20.00 |
| 71832 CD/HCP4 | Шариковый радиально-упорный однорядный подшипник. Двухкомпонентный штампованный стальной сепаратор с направляющим кольцом. | 160.00 | 200.00 | 20.00 |
| 71832 ACD/P4 | Шариковый радиально-упорный однорядный подшипник. Однорядный с улучшенной конструкцией и углом контакта 25°. Класс точности. | 160.00 | 200.00 | 20.00 |
| 71832 CD/P4 | Шариковый радиально-упорный однорядный подшипник. Двухкомпонентный штампованный стальной сепаратор с направляющим кольцом. Класс точности. | 160.00 | 200.00 | 20.00 |
| 71832 ACD/HCP4 | Шариковый радиально-упорный однорядный подшипник. Однорядный с улучшенной конструкцией и углом контакта 25°. | 160.00 | 200.00 | 20.00 |
| SEA160/NS 7CE1 | Шариковый радиально-упорный однорядный подшипник. Шарики из нитрида кремния Si3N4 (гибридные подшипники). Керамические шарики. | 160.00 | 200.00 | 20.00 |
| SEA160/NS 7CE3 | Шариковый радиально-упорный однорядный подшипник. Шарики из нитрида кремния Si3N4 (гибридные подшипники). Керамические шарики. | 160.00 | 200.00 | 20.00 |
| 7832C | Шариковый радиально-упорный однорядный подшипник. Угол контакта 15°. | 160.00 | 200.00 | 20.00 |
| 71832 A | Шариковый радиально-упорный однорядный подшипник. Двухрядный радиально-упорный шарикоподшипник без отверстия для смазки. | 160.00 | 200.00 | 20.00 |
| 71832 C | Шариковый радиально-упорный однорядный подшипник. 15° Угол контакта. | 160.00 | 200.00 | 20.00 |
| 6-1146832 Л | Шариковый радиально-упорный однорядный подшипник. Сепаратор из латуни.. | 160.00 | 200.00 | 20.00 |
Способы доставки
Отправка через ведущие транспортные и курьерские компании: ПЭК, Деловые Линии, СДЭК, Байкал-Сервис, Энергия, КИТ, ЖелДорЭкспедиция.
Самовывоз возможен напрямую со склада в Москве.
Сроки доставки
Срок зависит от региона и выбранной транспортной компании. Все заказы комплектуются и отправляются в кратчайшие сроки со склада в Москве.
Надёжность и сохранность
Вся продукция упаковывается с учётом требований транспортировки. Мы гарантируем, что подшипники и комплектующие прибудут к заказчику в полной сохранности.
Доставка в страны ЕАЭС
Мы работаем с проверенными логистическими партнёрами, что позволяет оперативно доставлять заказы в Беларусь, Казахстан, Армению и другие страны ЕАЭС.
Варианты оплаты:
Минимальная сумма заказа и скидки:
Документы и гарантии:
Да, конечно! Наши технические специалисты готовы помочь вам с подбором точного аналога или замены подшипника. Просто позвоните нам по телефону +7 (495) 104-99-04 или напишите на почту zakaz@podsnab.ru.
Для оперативной консультации подготовьте, пожалуйста, имеющиеся данные: маркировку, размеры, тип оборудования или артикул старого подшипника.
Да, конечно! Мы высоко ценим долгосрочное сотрудничество и доверие клиентов по всей России. Для постоянных клиентов действует персональная система скидок.
Условия формируются индивидуально и зависят от:
Чтобы узнать свои условия и получить максимально выгодное предложение, свяжитесь с персональным менеджером или напишите нам на почту zakaz@podsnab.ru.
Вы можете оформить заказ несколькими способами:
Для оформления заказа от юридического лица свяжитесь с нашим отделом по работе с корпоративными клиентами по телефону +7 (495) 104-99-04 или напишите на email zakaz@podsnab.ru, прикрепив реквизиты вашей организации.
Мы оперативно подготовим коммерческое предложение и выставим счет.
Возврат товара надлежащего качества возможен в течение 10 дней с момента получения, если товар не был в употреблении, сохранен товарный вид, упаковка не вскрывалась и присутствуют все сопроводительные документы.
Возврат денежных средств осуществляется в течение 10 рабочих дней после проверки товара складом.
В соответствии с законодательством возврату не подлежат подшипники надлежащего качества, если отсутствует оригинальная упаковка или имеются следы монтажа.
В случае выявления брака или гарантийного случая мы гарантируем возврат или обмен товара.
Да, гарантийный срок хранения устанавливается заводом-изготовителем и в среднем составляет 2 года при соблюдении условий хранения: сухое помещение, оригинальная упаковка и смазка.
Точный срок для конкретного типа подшипника уточняйте у наших менеджеров.
Пн–Пт: с 8:00 до 17:00 (МСК).
Сб–Вс: выходные дни.
Заказы на сайте принимаются круглосуточно. Заявки, поступившие после окончания рабочего дня, обрабатываются на следующий рабочий день.
Минимальная сумма заказа для доставки составляет 3000 рублей. Самовывоз со склада возможен на любую сумму при наличии товара.
ООО «УралТехГрупп»
ИНН: 7415093830
КПП: 772401001
ОГРН: 1167456069021
Банк: ПАО Сбербанк
Р/с: 40702810838000475273
К/с: 30101810400000000225
БИК: 044525225
У подшипника 6-1000832 ЛТ1 пока нет отзывов. Вы можете стать первым покупателем, поделившимся своим мнением.