Поиск подшипника
Статьи
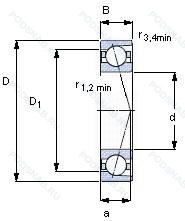
71832 CD/HCP4A — Шариковый радиальный однорядный подшипник, модификация основного исполнения 71832, производство SKF.
Размер подшипника: 160x200x20 мм.
Двухкомпонентный штампованный стальной сепаратор с направляющим кольцом, измененная или модифицированная внутренняя конструкция при неизменных основных размерах.
Международная стандартизации ISO
71832CDHCP4A
В наличии
| Обозначение | Конструктивные изменения |
|---|---|
| 71832 CD/HCP4 | Двухкомпонентный штампованный стальной сепаратор с направляющим кольцом. |
| 71832 ACD/P4 | Однорядный с улучшенной конструкцией и углом контакта 25°. Класс точности. |
| 71832 CD/P4 | Двухкомпонентный штампованный стальной сепаратор с направляющим кольцом. Класс точности. |
| 71832 ACD/HCP4 | Однорядный с улучшенной конструкцией и углом контакта 25°. |
| 71832 ATBP4 | Шариковый радиальный однорядный подшипник. |
| 71832 CTBP4 | Шариковый радиальный однорядный подшипник. |
| 71832 A | Двухрядный радиально-упорный шарикоподшипник без отверстия для смазки. |
| 71832 C | 15° Угол контакта. |
| 71832 ACD/HCP4A | Измененная или модифицированная внутренняя конструкция при неизменных основных размерах. 25° Угол контакта. |
| 71832 CD/P4A | Двухкомпонентный штампованный стальной сепаратор с направляющим кольцом. Точность размеров в соответствии с классом допуска ISO 4. точность вращения лучше чем класс допуска ISO 4. |
Модификации шарикового подшипника 71832 CD/HCP4A — это измененное основное конструктивное исполнение 71832, основные размеры (160x200x20) не отличаются.
| Обозначение | Гост | Конструктивные особенности |
|---|---|---|
| 61832 2URS | ISO | Специальное манжетное уплотнение с обеих сторон подшипника. |
| 61832 2Z | ISO | Защитные металлические шайбы с обеих сторон подшипника. |
| 61832 BRS | ISO | Бесконтактные лабиринтные уплотнения с одной стороны. |
| 61832 Z | ISO | щит из листовой прессованной стали с одной стороны подшипника. |
| 61832 ZZ | ISO | Защитные металлические шайбы с обеих сторон. |
| 6832N | ISO | Канавка для стопорного кольца на наружном кольце. |
| 683-2Z | ISO | Защитные металлические шайбы с обеих сторон подшипника. |
| 6832-2RZ | ISO | Шарикоподшипник. С уплотнением и низким коэффициентом трения с обеих сторон. Уплотнение состоит из шайбы из листовой стали с вулканизированной резиной. |
| 6832-RZ | ISO | Один стальное уплотнение и одно резиновое. |
| 6832ZZ | ISO | Защитные металлические шайбы с обеих сторон. |
| 6832-2RD | ISO | Облегченное контактное уплотнение с двух сторон.. |
| 6832DDU | ISO | Резиновые уплотнения с каждой стороны подшипника. |
| 6832VV | ISO | Защитные металлические шайбы. с обеих сторон подшипника. Бесконтактное уплотнение. (лучше. чем ZZ. Можно использовать в умеренно запыленной среде). |
| 6832ZZS | ISO | Защитные металлические шайбы с двух сторон подшипника (удерживается стопорным кольцом на внешнем кольце - обычно для миниатюрных шарикоподшипников). |
| 1000832-БТ | ГОСТ | Температура отпуска. 160°. Сепаратор из безоловянистой бронзы.. |
| 1000832-Л | ГОСТ | Сепаратор из латуни.. |
| 1000832-ЛТ1 | ГОСТ | Сепаратор из латуни.. 180°. Температура отпуска. |
| 26-1000832 БТ1 | ГОСТ | 180°. Сепаратор из безоловянистой бронзы.. Температура отпуска. |
| 6-1000832 Л | ГОСТ | Сепаратор из латуни.. |
| 6-1000832 ЛТ1 | ГОСТ | Сепаратор из латуни.. 180°. Температура отпуска. |
Аналог шарикового подшипника 71832 CD/HCP4A — это подшипник такого же размера dx160,Dx200,Bx20, типа и конструкции.
| Обозначение | Конструктивные особенности | Внутренний (d) | Наружный (D) | Ширина (B) |
|---|---|---|---|---|
| 6832M C3 | Подшипник однорядный шариковый радиальный. Внутренний зазор больше нормального. Подшипник с латунным сепаратором. центрированный по телам качения. | 160.00 | 200.00 | 20.00 |
| 6832M | Подшипник однорядный шариковый радиальный. Механически обработанный латунный сепаратор .Расположенный на элементах качения. | 160.00 | 200.00 | 20.00 |
| 683 2RS | Подшипник однорядный шариковый радиальный. Резиновые уплотнения с каждой стороны подшипника. | 3.00 | 7.00 | 20.00 |
| 6832LLU/2AS | Подшипник однорядный шариковый радиальный. Резиновые уплотнения с каждой стороны подшипника. LUBRICANT. SHELL OIL CO.. ALVANIA #2 GREASE. MIL-G-18709A. | 160.00 | 200.00 | 20.00 |
| 61832MB C3 | Подшипник однорядный шариковый радиальный. Внутренний зазор больше нормального. Механически обработанный латунный сепаратор. направляющий по внутреннему кольцу. | 160.00 | 200.00 | 20.00 |
| 6832LLU | Подшипник однорядный шариковый радиальный. Резиновые уплотнения с каждой стороны подшипника. | 160.00 | 200.00 | 20.00 |
| 6832ZZ NR | Подшипник однорядный шариковый радиальный. Защитные металлические шайбы с обеих сторон. Канавка под стопорное кольцо на наружном кольце с соответствующим стопорным кольцом. | 160.00 | 200.00 | 20.00 |
| 61832-C2 | Подшипник однорядный шариковый радиальный. Внутренний зазор подшипника меньше нормального. | 160.00 | 200.00 | 20.00 |
| 5S-7832CG/GNP42 | Шариковый радиально-упорный однорядный подшипник. Универсальный подшипник. Резьбовой винт со стопором и защелкой. Класс точности JIS4 для размеров и JIS 2 для точности вращения. Гибридный подшипник. | 160.00 | 200.00 | 20.00 |
| 7832CG/GNP42 | Шариковый радиально-упорный однорядный подшипник. Универсальный подшипник. Резьбовой винт со стопором и защелкой. Класс точности JIS4 для размеров и JIS 2 для точности вращения. | 160.00 | 200.00 | 20.00 |
| SF3227PX1 | Шариковый радиально-упорный однорядный подшипник. Специальный допуск. | 160.00 | 200.00 | 20.00 |
| SEA160/NS 7CE1 | Шариковый радиально-упорный однорядный подшипник. Шарики из нитрида кремния Si3N4 (гибридные подшипники). Керамические шарики. | 160.00 | 200.00 | 20.00 |
| SEA160/NS 7CE3 | Шариковый радиально-упорный однорядный подшипник. Шарики из нитрида кремния Si3N4 (гибридные подшипники). Керамические шарики. | 160.00 | 200.00 | 20.00 |
| 7832C | Шариковый радиально-упорный однорядный подшипник. Угол контакта 15°. | 160.00 | 200.00 | 20.00 |
| 6-1146832 Л | Шариковый радиально-упорный однорядный подшипник. Сепаратор из латуни.. | 160.00 | 200.00 | 20.00 |
Способы доставки
Отправка через ведущие транспортные и курьерские компании: ПЭК, Деловые Линии, СДЭК, Байкал-Сервис, Энергия, КИТ, ЖелДорЭкспедиция.
Самовывоз возможен напрямую со склада в Москве.
Сроки доставки
Срок зависит от региона и выбранной транспортной компании. Все заказы комплектуются и отправляются в кратчайшие сроки со склада в Москве.
Надёжность и сохранность
Вся продукция упаковывается с учётом требований транспортировки. Мы гарантируем, что подшипники и комплектующие прибудут к заказчику в полной сохранности.
Доставка в страны ЕАЭС
Мы работаем с проверенными логистическими партнёрами, что позволяет оперативно доставлять заказы в Беларусь, Казахстан, Армению и другие страны ЕАЭС.
Варианты оплаты:
Минимальная сумма заказа и скидки:
Документы и гарантии:
Да, конечно! Наши технические специалисты готовы помочь вам с подбором точного аналога или замены подшипника. Просто позвоните нам по телефону +7 (495) 104-99-04 или напишите на почту zakaz@podsnab.ru.
Для оперативной консультации подготовьте, пожалуйста, имеющиеся данные: маркировку, размеры, тип оборудования или артикул старого подшипника.
Да, конечно! Мы высоко ценим долгосрочное сотрудничество и доверие клиентов по всей России. Для постоянных клиентов действует персональная система скидок.
Условия формируются индивидуально и зависят от:
Чтобы узнать свои условия и получить максимально выгодное предложение, свяжитесь с персональным менеджером или напишите нам на почту zakaz@podsnab.ru.
Вы можете оформить заказ несколькими способами:
Для оформления заказа от юридического лица свяжитесь с нашим отделом по работе с корпоративными клиентами по телефону +7 (495) 104-99-04 или напишите на email zakaz@podsnab.ru, прикрепив реквизиты вашей организации.
Мы оперативно подготовим коммерческое предложение и выставим счет.
Возврат товара надлежащего качества возможен в течение 10 дней с момента получения, если товар не был в употреблении, сохранен товарный вид, упаковка не вскрывалась и присутствуют все сопроводительные документы.
Возврат денежных средств осуществляется в течение 10 рабочих дней после проверки товара складом.
В соответствии с законодательством возврату не подлежат подшипники надлежащего качества, если отсутствует оригинальная упаковка или имеются следы монтажа.
В случае выявления брака или гарантийного случая мы гарантируем возврат или обмен товара.
Да, гарантийный срок хранения устанавливается заводом-изготовителем и в среднем составляет 2 года при соблюдении условий хранения: сухое помещение, оригинальная упаковка и смазка.
Точный срок для конкретного типа подшипника уточняйте у наших менеджеров.
Пн–Пт: с 8:00 до 17:00 (МСК).
Сб–Вс: выходные дни.
Заказы на сайте принимаются круглосуточно. Заявки, поступившие после окончания рабочего дня, обрабатываются на следующий рабочий день.
Минимальная сумма заказа для доставки составляет 3000 рублей. Самовывоз со склада возможен на любую сумму при наличии товара.
ООО «УралТехГрупп»
ИНН: 7415093830
КПП: 772401001
ОГРН: 1167456069021
Банк: ПАО Сбербанк
Р/с: 40702810838000475273
К/с: 30101810400000000225
БИК: 044525225
У подшипника 71832 CD/HCP4A пока нет отзывов. Вы можете стать первым покупателем, поделившимся своим мнением.