Поиск подшипника
Статьи
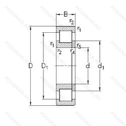
NUP240-E-MPA — Роликовый радиальный однорядный подшипник, модификация основного исполнения NUP240, производство NKE.
Размер подшипника: 200x360x58 мм.
Однорядный цилиндрический роликоподшипник. Наружное кольцо имеет два борта, внутреннее — один борт и одно свободное фланцевое кольцо. Основные размеры по DIN 5412-1, относится к подтипу фиксированные подшипники, разъемные, с сепаратором, твердый латунный сепаратор, повышенная грузоподъемность.
Международная стандартизации ISO
NUP240EMPA
В наличии
| Обозначение | Конструктивные изменения |
|---|---|
| NUP240E M1A C3 | Внутренний зазор больше нормального. Повышенная грузоподъемность. Массивный латунный сепаратор. двухтельный. центрированный по бортам. |
| NUP240 | Сталь сквозной закалки SUJ2 (японская) и взаимозаменяемость (только для метрических серий). Канавка под стопорное кольцо на наружном кольце подшипника. Точность размеров примерно соответствует классу точности Р4. Класс точности 2. Однорядный цилиндрический роликовый подшипник. Наружное кольцо имеет два борта. Основное конструктивное исполнение. |
| NUP240MA NA | MACHINED BRASS CAGE CENTERED ON THE OUTER RING. Не имеет особого значения (цилиндрический роликподшипник). |
| NUP240M | Механически обработанный латунный сепаратор .Расположенный на элементах качения. |
| NUP240.J25 | Replaced By J32BB. |
| NUP240-E-M1 | Повышенная грузоподъемность. Механически обработанный латунный сепаратор. вращающийся элемент качения (крестовина на заклепках). |
| NUP240-E-M1-C3 | Внутренний зазор больше нормального. Повышенная грузоподъемность. Механически обработанный латунный сепаратор. вращающийся элемент качения (крестовина на заклепках). |
| NUP240E.M3A | Увеличенная грузоподъемность подшипника. Machined Brass Cage. Spider Riveted. Guidance At Outer Ring. |
| NUP240MA | Механически обработанный латунный сепаратор. Центрирование по внешнему кольцу. |
| NUP240-E-M1-J30PC | Повышенная грузоподъемность. Механически обработанный латунный сепаратор. вращающийся элемент качения (крестовина на заклепках). Кольца и тела качения с черным оксидным покрытием. |
| NUP240-E-MPAX-J30PC | Повышенная грузоподъемность. Ребристый однокомпонентный цельнолатунный сепаратор является дальнейшим развитием сепараторов FAG типов MPA и MP1A и будет последовательно заменять эти типы. Он обладает большей прочностью по отношению к ударным нагрузкам и вибрациям. чем его предшественники. и особенно хорошо подходит для применения в условиях высоких нагрузок. Кольца и тела качения с черным оксидным покрытием. |
| NUP240-E-XL-MPAX-J30PC | Повышенная грузоподъемность. Серия X-Life премиум-класс. увеличиный срок службы. Ребристый однокомпонентный цельнолатунный сепаратор является дальнейшим развитием сепараторов FAG типов MPA и MP1A и будет последовательно заменять эти типы. Он обладает большей прочностью по отношению к ударным нагрузкам и вибрациям. чем его предшественники. и особенно хорошо подходит для применения в условиях высоких нагрузок. Кольца и тела качения с черным оксидным покрытием. |
| NUP240-E-M1A | Повышенная грузоподъемность. Массивный латунный сепаратор. двухтельный. центрированный по бортам. |
| NUP240-E-MA6 | Повышенная грузоподъемность. Изготовленный из двух частей латунный сепаратор. Центрирование по внешнему кольцу. Различные конструкции или сорта материалов обозначаются цифрой или буквой.. |
| NUP240-E-M6 | Повышенная грузоподъемность. 20-28 UM (C3 & C4). |
| NUP240EM | Стандартный фланцевый ( с резьбой и сквозным отверстием). |
| NUP240E | Повышенная грузоподъемность. |
| NUP240R | С выпуклыми асимметричными роликами и обработанным сепаратором. |
Модификации роликового подшипника NUP240-E-MPA — это измененное основное конструктивное исполнение NUP240, основные размеры (200x360x58) не отличаются.
| Обозначение | Гост | Конструктивные особенности |
|---|---|---|
| NF240 E | ISO | Повышенная грузоподъемность. |
| NH240 E | ISO | Повышенная грузоподъемность. |
| NJ240E | ISO | Повышенная грузоподъемность. |
| NP240 E | ISO | Повышенная грузоподъемность. |
| NH240 | ISO | Канавка под стопорное кольцо на наружном кольце подшипника. |
| NP 240 | ISO | Канавка под стопорное кольцо на наружном кольце подшипника. |
| NJ240R | ISO | С выпуклыми асимметричными роликами и обработанным сепаратором. |
| NJ240-E-MPA | ISO | Повышенная грузоподъемность. Твердый латунный сепаратор. |
| NJ240-E-M6+HJ240-E | ISO | Повышенная грузоподъемность. 20-28 UM (C3 & C4). |
| NJ240-E-MA6 | ISO | Повышенная грузоподъемность. Изготовленный из двух частей латунный сепаратор. Центрирование по внешнему кольцу. Различные конструкции или сорта материалов обозначаются цифрой или буквой.. |
| NJ240-E-MA6+HJ240-E | ISO | Повышенная грузоподъемность. Изготовленный из двух частей латунный сепаратор. Центрирование по внешнему кольцу. Различные конструкции или сорта материалов обозначаются цифрой или буквой.. |
| NJ240-E-MPA+HJ240-E | ISO | Повышенная грузоподъемность. Твердый латунный сепаратор. |
| NU240-E-MA6 | ISO | Повышенная грузоподъемность. Изготовленный из двух частей латунный сепаратор. Центрирование по внешнему кольцу. Различные конструкции или сорта материалов обозначаются цифрой или буквой.. |
| 8-42240 М | ГОСТ | Модифицированный контакт.. |
| 92240-К1М | ГОСТ | Кольцевая проточка на середине цилиндрической наружной поверхности наружного кольца плюс три отверстия для смазки. Модифицированный контакт.. |
| 62240М | ГОСТ | Модифицированный контакт.. |
| NJ 240 ECML | ISO | Однорядный цилиндрический роликовый подшипник. |
| NJ 240 ECM | ISO | Однорядный цилиндрический роликовый подшипник. |
| 42240-М | ГОСТ | Модифицированный контакт.. |
| 42240М1 | ГОСТ | Модифицированный контакт.. |
Аналог роликового подшипника NUP240-E-MPA — это подшипник такого же размера dx200,Dx360,Bx58, типа и конструкции.
| Обозначение | Конструктивные особенности | Внутренний (d) | Наружный (D) | Ширина (B) |
|---|---|---|---|---|
| 7240DB | Шариковый радиально-упорный двухрядный подшипник. Two Single Row Deep Groove Ball Bearings. Single Row Angular Contact Ball Bearings Or Single Row Tapered Roller Bearings Matched For Mounting In A Back-To-Back Arrangement. | 200.00 | 360.00 | 58.00 |
| 7240DF | Шариковый радиально-упорный двухрядный подшипник. Комплект из двух подшипников. согласованных для установки по Х-образной схеме. Число. следующее непосредственно после букв DF. обозначает конструкцию промежуточного кольца. | 200.00 | 360.00 | 58.00 |
| 176240-Л | Шариковый радиально-упорный однорядный подшипник. Сепаратор из латуни.. | 200.00 | 360.00 | 58.00 |
| TM-QJ240AC3S30 | Шариковый радиально-упорный однорядный подшипник. Угол контакта 15°. | 200.00 | 360.00 | 58.00 |
| TM-QJ240AWC3S30 | Шариковый радиально-упорный однорядный подшипник. Угол контакта 15°. | 200.00 | 360.00 | 58.00 |
| QJ 240 N2 | Шариковый радиально-упорный однорядный подшипник. Два установочных паза (выемки), расположенных под углом 180° друг от друга в одной боковой поверхности наружного кольца или шайбе корпуса.. | 200.00 | 360.00 | 58.00 |
| 7240C | Шариковый радиально-упорный однорядный подшипник. Угол контакта 15 градусов. | 200.00 | 360.00 | 58.00 |
| 7240B | Шариковый радиально-упорный однорядный подшипник. Угол контакта 40°. | 200.00 | 360.00 | 58.00 |
| QJ 240 N2 M | Шариковый радиально-упорный однорядный подшипник. Подшипник с латунным сепаратором. центрированный по телам качения. Два установочных паза (выемки), расположенных под углом 180° друг от друга в одной боковой поверхности наружного кольца или шайбе корпуса.. | 200.00 | 360.00 | 58.00 |
| 7240CPA | Шариковый радиально-упорный однорядный подшипник. Угол контакта 15 градусов. | 200.00 | 360.00 | 58.00 |
| 36240К | Шариковый радиально-упорный однорядный подшипник. «Замок» (скос) на внутреннем кольце плюс массивный сепаратор из текстолита. | 200.00 | 360.00 | 58.00 |
| 240W | Шариковый радиальный однорядный подшипник. Максимальная грузоподъемность. | 200.00 | 360.00 | 58.00 |
| 6240Z | Шариковый радиальный однорядный подшипник. Стальная шайба. | 200.00 | 360.00 | 58.00 |
| 46240К | Шариковый радиально-упорный однорядный подшипник. «Замок» (скос) на внутреннем кольце плюс массивный сепаратор из текстолита. | 200.00 | 360.00 | 58.00 |
| 6-176240 ДТ | Шариковый радиально-упорный однорядный подшипник. Сепаратор из алюминиевого сплава.. Температура отпуска. 160°. | 200.00 | 360.00 | 58.00 |
Способы доставки
Отправка через ведущие транспортные и курьерские компании: ПЭК, Деловые Линии, СДЭК, Байкал-Сервис, Энергия, КИТ, ЖелДорЭкспедиция.
Самовывоз возможен напрямую со склада в Москве.
Сроки доставки
Срок зависит от региона и выбранной транспортной компании. Все заказы комплектуются и отправляются в кратчайшие сроки со склада в Москве.
Надёжность и сохранность
Вся продукция упаковывается с учётом требований транспортировки. Мы гарантируем, что подшипники и комплектующие прибудут к заказчику в полной сохранности.
Доставка в страны ЕАЭС
Мы работаем с проверенными логистическими партнёрами, что позволяет оперативно доставлять заказы в Беларусь, Казахстан, Армению и другие страны ЕАЭС.
Варианты оплаты:
Минимальная сумма заказа и скидки:
Документы и гарантии:
Да, конечно! Наши технические специалисты готовы помочь вам с подбором точного аналога или замены подшипника. Просто позвоните нам по телефону +7 (495) 104-99-04 или напишите на почту zakaz@podsnab.ru.
Для оперативной консультации подготовьте, пожалуйста, имеющиеся данные: маркировку, размеры, тип оборудования или артикул старого подшипника.
Да, конечно! Мы высоко ценим долгосрочное сотрудничество и доверие клиентов по всей России. Для постоянных клиентов действует персональная система скидок.
Условия формируются индивидуально и зависят от:
Чтобы узнать свои условия и получить максимально выгодное предложение, свяжитесь с персональным менеджером или напишите нам на почту zakaz@podsnab.ru.
Вы можете оформить заказ несколькими способами:
Для оформления заказа от юридического лица свяжитесь с нашим отделом по работе с корпоративными клиентами по телефону +7 (495) 104-99-04 или напишите на email zakaz@podsnab.ru, прикрепив реквизиты вашей организации.
Мы оперативно подготовим коммерческое предложение и выставим счет.
Возврат товара надлежащего качества возможен в течение 10 дней с момента получения, если товар не был в употреблении, сохранен товарный вид, упаковка не вскрывалась и присутствуют все сопроводительные документы.
Возврат денежных средств осуществляется в течение 10 рабочих дней после проверки товара складом.
В соответствии с законодательством возврату не подлежат подшипники надлежащего качества, если отсутствует оригинальная упаковка или имеются следы монтажа.
В случае выявления брака или гарантийного случая мы гарантируем возврат или обмен товара.
Да, гарантийный срок хранения устанавливается заводом-изготовителем и в среднем составляет 2 года при соблюдении условий хранения: сухое помещение, оригинальная упаковка и смазка.
Точный срок для конкретного типа подшипника уточняйте у наших менеджеров.
Пн–Пт: с 8:00 до 17:00 (МСК).
Сб–Вс: выходные дни.
Заказы на сайте принимаются круглосуточно. Заявки, поступившие после окончания рабочего дня, обрабатываются на следующий рабочий день.
Минимальная сумма заказа для доставки составляет 3000 рублей. Самовывоз со склада возможен на любую сумму при наличии товара.
ООО «УралТехГрупп»
ИНН: 7415093830
КПП: 772401001
ОГРН: 1167456069021
Банк: ПАО Сбербанк
Р/с: 40702810838000475273
К/с: 30101810400000000225
БИК: 044525225
У подшипника NUP240-E-MPA пока нет отзывов. Вы можете стать первым покупателем, поделившимся своим мнением.