Поиск подшипника
Статьи
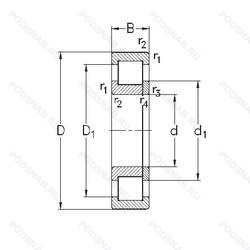
NUP318-E-TVP3 — Роликовый радиальный однорядный подшипник, модификация основного исполнения NUP318, производство NKE.
Размер подшипника: 90x190x43 мм.
Однорядный цилиндрический роликоподшипник. Наружное кольцо имеет два борта, внутреннее — один борт и одно свободное фланцевое кольцо. Основные размеры по DIN 5412-1, относится к подтипу фиксированные подшипники, разъемные, с сепаратором, цельный сепаратор из полиамида pa66-gf25. сепаратор оконного типа. направляемый телами качения, повышенная грузоподъемность.
Международная стандартизации ISO
NUP318ETVP3
В наличии
| Обозначение | Конструктивные изменения |
|---|---|
| NUP318-E-XL-TVP2 | Повышенная грузоподъемность. Серия X-Life премиум-класс. увеличиный срок службы. Cепаратор изготовленный из полиамида PA66. армированного стекловолокном. |
| NUP318E.M1.P53.F1 | Повышенная грузоподъемность. Механически обработанный латунный сепаратор. вращающийся элемент качения (крестовина на заклепках). Подшипники качения для тяговых двигателей. Комбинация P5 = (Размерная и рабочая точность соответствует классу 5 допусков ISO) и С3 = (Внутренний зазор больше обычного). |
| NUP318-E-TVP2 | Повышенная грузоподъемность. Cепаратор изготовленный из полиамида PA66. армированного стекловолокном. |
| NUP318ECP | Оптимизированная внутренняя конструкция предусматривает увеличенное количество роликов и/или ролики большего размера с улучшенными условиями контакта торцов роликов с бортами внутреннего кольца. Сепаратор из стеклонаполненного полиамида PA66. центрируемый по роликам. |
| NUP318-E-M1-F1-C4 | Внутренний зазор подшипника больше. чем C3. Повышенная грузоподъемность. Механически обработанный латунный сепаратор. вращающийся элемент качения (крестовина на заклепках). Спецификация производства и контроля FAG для цилиндрических роликоподшипников в тяговых двигателях. |
| NUP318-E-XL-MPAX-C3 | Внутренний зазор больше нормального. Повышенная грузоподъемность. Серия X-Life премиум-класс. увеличиный срок службы. Ребристый однокомпонентный цельнолатунный сепаратор является дальнейшим развитием сепараторов FAG типов MPA и MP1A и будет последовательно заменять эти типы. Он обладает большей прочностью по отношению к ударным нагрузкам и вибрациям. чем его предшественники. и особенно хорошо подходит для применения в условиях высоких нагрузок. |
| NUP318C3 FY | Внутренний зазор больше нормального. Обработанный латунный сепаратор. |
| NUP318C3 | Внутренний зазор больше нормального. |
| NUP318-E-M6 | Повышенная грузоподъемность. Цельный латунный сепаратор с роликовыми направляющими для цилиндрических роликоподшипников. |
| NUP318-E-MA6-C3 | Внутренний зазор больше нормального. Увеличенная грузоподъёмность. Сепаратор из цельной латуни с наружным кольцом для цилиндрических роликоподшипников. Корпус сепаратора разработан с использованием механически обработанных заклепок трапециевидной формы. |
| NUP318-E-M1A-C3 | Внутренний зазор больше нормального. Повышенная грузоподъемность. Массивный латунный сепаратор. двухтельный. центрированный по бортам. |
| NUP318-E-TVP1 | Повышенная грузоподъемность. Moulded Polyamide Window-Type Cage. |
| NUP318-E-XL-TVP2-C3 | Внутренний зазор больше нормального. Повышенная грузоподъемность. Серия X-Life премиум-класс. увеличиный срок службы. Cепаратор изготовленный из полиамида PA66. армированного стекловолокном. |
| NUP318EMT C3 | Внутренний зазор больше нормального. |
| NUP318E.TVP2.C3 | Внутренний зазор больше нормального. Повышенная грузоподъемность. Cепаратор изготовленный из полиамида PA66. армированного стекловолокном. |
| NUP318M | Механически обработанный латунный сепаратор .Расположенный на элементах качения. |
| NUP318-E-M1 | Повышенная грузоподъемность. Механически обработанный латунный сепаратор. вращающийся элемент качения (крестовина на заклепках). |
| NUP318EMT P6 C3 | Внутренний зазор больше нормального. Размерные и геометрические допуски соответствуют классу точности P6. |
| NUP318-E-XL-M1-C3 | Внутренний зазор больше нормального. Повышенная грузоподъемность. Серия X-Life премиум-класс. увеличиный срок службы. Механически обработанный латунный сепаратор. вращающийся элемент качения (крестовина на заклепках). |
| NUP318-E-XL-M1A | Повышенная грузоподъемность. Серия X-Life премиум-класс. увеличиный срок службы. Массивный латунный сепаратор. двухтельный. центрированный по бортам. |
| NUP318-E-MA6 | Повышенная грузоподъемность. Изготовленный из двух частей латунный сепаратор. Центрирование по внешнему кольцу. Различные конструкции или сорта материалов обозначаются цифрой или буквой.. |
| NUP318-E-MPA | Повышенная грузоподъемность. Твердый латунный сепаратор. |
| NUP318EM | Стандартный фланцевый ( с резьбой и сквозным отверстием). |
| NUP318E | Повышенная грузоподъемность. |
| NUP318R | С выпуклыми асимметричными роликами и обработанным сепаратором. |
Модификации роликового подшипника NUP318-E-TVP3 — это измененное основное конструктивное исполнение NUP318, основные размеры (90x190x43) не отличаются.
| Обозначение | Гост | Конструктивные особенности |
|---|---|---|
| NH318 E | ISO | Повышенная грузоподъемность. |
| NP318 E | ISO | Повышенная грузоподъемность. |
| NP 318 | ISO | Канавка под стопорное кольцо на наружном кольце подшипника. |
| NJ318R | ISO | С выпуклыми асимметричными роликами и обработанным сепаратором. |
| NJ318-E-M6+HJ318-E | ISO | Повышенная грузоподъемность. 20-28 UM (C3 & C4). |
| NJ318-E-MA6 | ISO | Повышенная грузоподъемность. Изготовленный из двух частей латунный сепаратор. Центрирование по внешнему кольцу. Различные конструкции или сорта материалов обозначаются цифрой или буквой.. |
| NJ318-E-TVP3+HJ318-E | ISO | Повышенная грузоподъемность. Цельный сепаратор из полиамида PA66-GF25. сепаратор оконного типа. направляемый телами качения. |
| NJ318-E-MPA | ISO | Повышенная грузоподъемность. Твердый латунный сепаратор. |
| NJ318-E-MPA+HJ318-E | ISO | Повышенная грузоподъемность. Твердый латунный сепаратор. |
| NJ318-E-MA6+HJ318-E | ISO | Повышенная грузоподъемность. Изготовленный из двух частей латунный сепаратор. Центрирование по внешнему кольцу. Различные конструкции или сорта материалов обозначаются цифрой или буквой.. |
| 8-2318-КМ | ГОСТ | Модифицированный контакт.. |
| 80-32318 КМ | ГОСТ | Модифицированный контакт.. |
| 80-62318 М | ГОСТ | Модифицированный контакт.. |
| Н0-62318 М | ГОСТ | Ненормализованный радиальный зазор.. Модифицированный контакт.. |
| 70-2318 М | ГОСТ | Модифицированный контакт.. |
| 8-12318-КМ | ГОСТ | Модифицированный контакт.. |
| 42318-К1М | ГОСТ | Модифицированный контакт.. |
| 42318-КМ | ГОСТ | Кольцевая проточка на середине цилиндрической наружной поверхности наружного кольца плюс три отверстия для смазки. Модифицированный контакт.. |
| 42318-Л | ГОСТ | Сепаратор из латуни.. |
| 42318KM | ГОСТ | Type Of Model. |
Аналог роликового подшипника NUP318-E-TVP3 — это подшипник такого же размера dx90,Dx190,Bx43, типа и конструкции.
| Обозначение | Конструктивные особенности | Внутренний (d) | Наружный (D) | Ширина (B) |
|---|---|---|---|---|
| 318АЛ1 | Шариковый радиальный однорядный подшипник. Сепаратор из латуни.. Повышенная грузоподъемность. | 90.00 | 190.00 | 43.00 |
| 1318K+H318 | Шариковый сферический двухрядный подшипник. Коническое внутреннее отверстие. | 90.00 | 190.00 | 43.00 |
| 1318SK | Шариковый сферический двухрядный подшипник. Кулачковый толкатель штифтового типа. С шестигранной головкой. | 90.00 | 190.00 | 43.00 |
| 7603090-TVP | Шариковый упорный однорядный подшипник. Molded Snap-Type Cage Of Glass Fibre Reinforced Polyamide. Rolling Element Riding. | 90.00 | 190.00 | 43.00 |
| 402318-Л | Роликовый радиальный подшипник. Сепаратор из латуни.. | 90.00 | 190.00 | 43.00 |
| 402318-М | Роликовый радиальный цилиндрический подшипник. Модифицированный контакт.. | 90.00 | 190.00 | 43.00 |
| 46318-АКЛ | Шариковый радиально-упорный однорядный подшипник. Сепаратор из латуни.. Повышенная грузоподъемность. | 90.00 | 190.00 | 43.00 |
| 46318-Е | Шариковый радиально-упорный однорядный подшипник. Сепаратор из текстолита.. | 90.00 | 190.00 | 43.00 |
| 46318-Л | Шариковый радиально-упорный однорядный подшипник. Сепаратор из латуни.. | 90.00 | 190.00 | 43.00 |
| 46318К | Шариковый радиально-упорный однорядный подшипник. «Замок» (скос) на внутреннем кольце плюс массивный сепаратор из текстолита. | 90.00 | 190.00 | 43.00 |
| 5-36318 Л | Шариковый радиально-упорный однорядный подшипник. Сепаратор из латуни.. | 90.00 | 190.00 | 43.00 |
| 5-46318 Л | Шариковый радиально-упорный однорядный подшипник. Сепаратор из латуни.. | 90.00 | 190.00 | 43.00 |
| 5-46318 ЛШ2 | Шариковый радиально-упорный однорядный подшипник. Сепаратор из латуни.. Нормы шумности. | 90.00 | 190.00 | 43.00 |
| 6-1318 Л | Шариковый радиальный двухрядный подшипник. Сепаратор из латуни.. | 90.00 | 190.00 | 43.00 |
| 6-176318 Л | Шариковый радиально-упорный однорядный подшипник. Сепаратор из латуни.. | 90.00 | 190.00 | 43.00 |
Способы доставки
Отправка через ведущие транспортные и курьерские компании: ПЭК, Деловые Линии, СДЭК, Байкал-Сервис, Энергия, КИТ, ЖелДорЭкспедиция.
Самовывоз возможен напрямую со склада в Москве.
Сроки доставки
Срок зависит от региона и выбранной транспортной компании. Все заказы комплектуются и отправляются в кратчайшие сроки со склада в Москве.
Надёжность и сохранность
Вся продукция упаковывается с учётом требований транспортировки. Мы гарантируем, что подшипники и комплектующие прибудут к заказчику в полной сохранности.
Доставка в страны ЕАЭС
Мы работаем с проверенными логистическими партнёрами, что позволяет оперативно доставлять заказы в Беларусь, Казахстан, Армению и другие страны ЕАЭС.
Варианты оплаты:
Минимальная сумма заказа и скидки:
Документы и гарантии:
Да, конечно! Наши технические специалисты готовы помочь вам с подбором точного аналога или замены подшипника. Просто позвоните нам по телефону +7 (495) 104-99-04 или напишите на почту zakaz@podsnab.ru.
Для оперативной консультации подготовьте, пожалуйста, имеющиеся данные: маркировку, размеры, тип оборудования или артикул старого подшипника.
Да, конечно! Мы высоко ценим долгосрочное сотрудничество и доверие клиентов по всей России. Для постоянных клиентов действует персональная система скидок.
Условия формируются индивидуально и зависят от:
Чтобы узнать свои условия и получить максимально выгодное предложение, свяжитесь с персональным менеджером или напишите нам на почту zakaz@podsnab.ru.
Вы можете оформить заказ несколькими способами:
Для оформления заказа от юридического лица свяжитесь с нашим отделом по работе с корпоративными клиентами по телефону +7 (495) 104-99-04 или напишите на email zakaz@podsnab.ru, прикрепив реквизиты вашей организации.
Мы оперативно подготовим коммерческое предложение и выставим счет.
Возврат товара надлежащего качества возможен в течение 10 дней с момента получения, если товар не был в употреблении, сохранен товарный вид, упаковка не вскрывалась и присутствуют все сопроводительные документы.
Возврат денежных средств осуществляется в течение 10 рабочих дней после проверки товара складом.
В соответствии с законодательством возврату не подлежат подшипники надлежащего качества, если отсутствует оригинальная упаковка или имеются следы монтажа.
В случае выявления брака или гарантийного случая мы гарантируем возврат или обмен товара.
Да, гарантийный срок хранения устанавливается заводом-изготовителем и в среднем составляет 2 года при соблюдении условий хранения: сухое помещение, оригинальная упаковка и смазка.
Точный срок для конкретного типа подшипника уточняйте у наших менеджеров.
Пн–Пт: с 8:00 до 17:00 (МСК).
Сб–Вс: выходные дни.
Заказы на сайте принимаются круглосуточно. Заявки, поступившие после окончания рабочего дня, обрабатываются на следующий рабочий день.
Минимальная сумма заказа для доставки составляет 3000 рублей. Самовывоз со склада возможен на любую сумму при наличии товара.
ООО «УралТехГрупп»
ИНН: 7415093830
КПП: 772401001
ОГРН: 1167456069021
Банк: ПАО Сбербанк
Р/с: 40702810838000475273
К/с: 30101810400000000225
БИК: 044525225
У подшипника NUP318-E-TVP3 пока нет отзывов. Вы можете стать первым покупателем, поделившимся своим мнением.