Поиск подшипника
Статьи
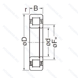
NUP2206EG — Роликовый радиальный однорядный подшипник, модификация основного исполнения NUP2206, производство NACHI.
Размер подшипника: 30x62x20 мм.
Однорядный цилиндрический роликоподшипник. Наружное кольцо имеет два борта, внутреннее — один борт и одно свободное фланцевое кольцо. Основные размеры по DIN 5412-1, относится к подтипу фиксированные подшипники, разъемные, с сепаратором, игольчатые сепараторы для шатунов двигателей.
Международная стандартизации ISO
NUP2206EG
В наличии
| Обозначение | Конструктивные изменения |
|---|---|
| NUP2206TGP | Литой сепаратор из полиамида 6.6. армированного стекловолокном. Центрированный элемент качения.. Формованный полиамидный сепаратор оконного типа. Роликовые тела качения. |
| NUP2206ET2X C3 | Внутренний зазор больше нормального. Повышенная грузоподъемность. Полиамидный сепаратор 4.6 для цилиндрических роликоподшипников. |
| NUP2206ET2X | Повышенная грузоподъемность. Полиамидный сепаратор 4.6 для цилиндрических роликоподшипников. |
| NUP2206-E-XL-TVP2 | Повышенная грузоподъемность. Серия X-Life премиум-класс. увеличиный срок службы. Cепаратор изготовленный из полиамида PA66. армированного стекловолокном. |
| NUP2206-E-XL-TVP2-C3 | Внутренний зазор больше нормального. Повышенная грузоподъемность. Серия X-Life премиум-класс. увеличиный срок службы. Cепаратор изготовленный из полиамида PA66. армированного стекловолокном. |
| NUP2206ET C3 | Внутренний зазор больше нормального. Сквозная закалка и шлифовка стали с переломом в одной точке. |
| NUP2206ET2XU | Повышенная грузоподъемность. Одно ребро. Одно стопорное кольцо в наружном кольце. Полиамидный сепаратор 4.6 для цилиндрических роликоподшипников. |
| NUP2206E.JP1 | Повышенная грузоподъемность. Прессованный сепаратор из листового металла. |
| NUP2206E.JP1.C3 | Внутренний зазор больше нормального. Повышенная грузоподъемность. Прессованный сепаратор из листового металла. |
| NUP2206ECP | Оптимизированная внутренняя конструкция предусматривает увеличенное количество роликов и/или ролики большего размера с улучшенными условиями контакта торцов роликов с бортами внутреннего кольца. Сепаратор из стеклонаполненного полиамида PA66. центрируемый по роликам. Однорядный цилиндрический роликовый подшипник. |
| NUP2206EN.TVP2 | Cепаратор изготовленный из полиамида PA66. армированного стекловолокном. Канавка под стопорное кольцо на внешнем кольце. Увеличенная грузоподъемность и канавка под стопорное кольцо на наружном кольце. |
| NUP2206-E-TVP2-C3 | Внутренний зазор больше нормального. Повышенная грузоподъемность. Cепаратор изготовленный из полиамида PA66. армированного стекловолокном. |
| NUP2206E.M1 | Повышенная грузоподъемность. Механически обработанный латунный сепаратор. вращающийся элемент качения (крестовина на заклепках). |
| NUP2206E.M1A | Повышенная грузоподъемность. Массивный латунный сепаратор. двухтельный. центрированный по бортам. |
| NUP2206ET2X C3U | Внутренний зазор больше нормального. Повышенная грузоподъемность. Одно ребро. Одно стопорное кольцо в наружном кольце. Полиамидный сепаратор 4.6 для цилиндрических роликоподшипников. |
| NUP2206-E-XL-M1 | Повышенная грузоподъемность. Серия X-Life премиум-класс. увеличиный срок службы. Механически обработанный латунный сепаратор. вращающийся элемент качения (крестовина на заклепках). |
| NUP2206E.TVP3 | Увеличенная грузоподъёмность. Цельный сепаратор из полиамида PA66-GF25. сепаратор оконного типа. направляемый телами качения. |
| NUP2206ES | Разъемное наружное кольцо со смазочными отверстиями. |
| NUP2206ECJ/R825 | Два стальных сепаратора оконного типа. внутреннее кольцо без фланца. направляющее кольцо с усиленным роликом. Inner Ring Change. |
| NUP2206E G15 | Повышенная грузоподъемность. Литой сепаратор из полиамида 6.6. армированного стекловолокном. Элемент качения по центру. |
| NUP2206-E-XL-M1A | Повышенная грузоподъемность. Серия X-Life премиум-класс. увеличиный срок службы. Массивный латунный сепаратор. двухтельный. центрированный по бортам. |
| NUP2206-E-XL-N-TVP2-C3 | Внутренний зазор больше нормального. Повышенная грузоподъемность. Серия X-Life премиум-класс. увеличиный срок службы. Cепаратор изготовленный из полиамида PA66. армированного стекловолокном. Канавка под стопорное кольцо на внешнем кольце. |
| NUP2206-E-MPA | Повышенная грузоподъемность. Твердый латунный сепаратор. |
| NUP2206E.TVP | Повышенная грузоподъемность. Molded Snap-Type Cage Of Glass Fibre Reinforced Polyamide. Rolling Element Riding. |
| NUP2206R | С выпуклыми асимметричными роликами и обработанным сепаратором. |
Модификации роликового подшипника NUP2206EG — это измененное основное конструктивное исполнение NUP2206, основные размеры (30x62x20) не отличаются.
| Обозначение | Гост | Конструктивные особенности |
|---|---|---|
| 102506-М | ГОСТ | Модифицированный контакт.. |
| 20-102506 М | ГОСТ | Модифицированный контакт.. |
| 2В0-102506 М | ГОСТ | Модифицированный контакт.. |
| NH2206 E | ISO | Повышенная грузоподъемность. |
| N2206E | ISO | Повышенная грузоподъемность. |
| RN306-E-MPBX | ISO | Повышенная грузоподъемность. |
| NH2206 | ISO | Канавка под стопорное кольцо на наружном кольце подшипника. |
| NJ2206EG | ISO | Игольчатые сепараторы для шатунов двигателей. |
| NU2206EG | ISO | Игольчатые сепараторы для шатунов двигателей. |
| NJ2206-E-MPA+HJ2206-E | ISO | Повышенная грузоподъемность. Твердый латунный сепаратор. |
| NJ2206-E-MPA | ISO | Повышенная грузоподъемность. Твердый латунный сепаратор. |
| NJ2206-E-TVP3+HJ2206-E | ISO | Повышенная грузоподъемность. Цельный сепаратор из полиамида PA66-GF25. сепаратор оконного типа. направляемый телами качения. |
| NU2206-E-MPA | ISO | Повышенная грузоподъемность. Твердый латунный сепаратор. |
| NJ2206 EN | ISO | Увеличенная грузоподъемность и канавка под стопорное кольцо на наружном кольце. |
| NJ2206 ETN | ISO | Цилиндрический роликовый подшипник. Дополнительная грузоподъемность с сепаратором из полиамида 6-6. |
| NU 2206 ECPH | ISO | Однорядный цилиндрический роликовый подшипник. |
| 42506-А1 | ГОСТ | Повышенная грузоподъемность. |
| 42506-Б1 | ГОСТ | Сепаратор из безоловянистой бронзы.. |
| 42506-Д1 | ГОСТ | Сепаратор из алюминиевого сплава.. |
| 6-102506-М | ГОСТ | Модифицированный контакт.. |
Аналог роликового подшипника NUP2206EG — это подшипник такого же размера dx30,Dx62,Bx20, типа и конструкции.
| Обозначение | Конструктивные особенности | Внутренний (d) | Наружный (D) | Ширина (B) |
|---|---|---|---|---|
| 76-180506 Е8Т2С1 | Шариковый радиальный однорядный подшипник. 200°. Температура отпуска. Смазка ОКБ 122-7. Сепаратор из пластических материалов.. | 30.00 | 62.00 | 20.00 |
| 76-180506 Е8Т2С2 | Шариковый радиальный однорядный подшипник. 200°. Смазка ЦИАТИМ-221. Температура отпуска. Сепаратор из пластических материалов.. | 30.00 | 62.00 | 20.00 |
| 76-180506 ЕТ2С2 | Шариковый радиальный однорядный подшипник. Сепаратор из текстолита.. 200°. Смазка ЦИАТИМ-221. Температура отпуска. | 30.00 | 62.00 | 20.00 |
| 76-180506 Ю4ТС15 | Шариковый радиальный однорядный подшипник. Температура отпуска. 160°. Смазка ВНИИНП-207. Все детали или часть деталей из нержавеющей стали.. | 30.00 | 62.00 | 20.00 |
| 76-180506 Ю4ТС2У | Шариковый радиальный однорядный подшипник. Дополнительные технические требования. Температура отпуска. 160°. Смазка ЦИАТИМ-221. Все детали или часть деталей из нержавеющей стали.. | 30.00 | 62.00 | 20.00 |
| 76-180506 ЮТС15 | Шариковый радиальный однорядный подшипник. Температура отпуска. 160°. Все детали или часть деталей из нержавеющей стали.. Смазка ВНИИНП-207. | 30.00 | 62.00 | 20.00 |
| 76-180506 ЮТС4 | Шариковый радиальный однорядный подшипник. Температура отпуска. 160°. Все детали или часть деталей из нержавеющей стали.. Смазка ЦИАТИМ-221С. | 15.00 | 28.00 | 20.00 |
| 7А-180506 Е | Шариковый радиальный однорядный подшипник. Сепаратор из текстолита.. | 30.00 | 62.00 | 20.00 |
| LG30=5 | Шариковый радиальный однорядный подшипник. Distance Between Beginning Of The Rail And First Hole In MM. | 30.00 | 62.00 | 21.00 |
| CUC206-19 | Шариковый радиальный однорядный подшипник. 1.3/16. | 30.16 | 62.00 | 19.00 |
| CUC206 | Шариковый радиальный однорядный подшипник. Радиальный внутренний зазор С2. | 30.00 | 62.00 | 19.00 |
| 2-80506 ЕС9 | Шариковый радиальный однорядный подшипник. Сепаратор из текстолита.. Смазка ЛЗ-31. | 30.00 | 62.00 | 20.00 |
| 2206-K-2RS+H306 | Шариковый сферический двухрядный подшипник. Коническое внутреннее отверстие. Контактные уплотнения типа RS с обеих сторон игольчатого роликоподшипника. | 30.00 | 62.00 | 20.00 |
| 2206 TN9 | Шариковый сферический двухрядный подшипник. Литой защелкивающийся сепаратор из полиамида. армированного стекловолокном 6.6. | 30.00 | 62.00 | 20.00 |
| 5-32506 Б | Роликовый радиальный подшипник. Сепаратор из безоловянистой бронзы.. | 30.00 | 62.00 | 20.00 |
Способы доставки
Отправка через ведущие транспортные и курьерские компании: ПЭК, Деловые Линии, СДЭК, Байкал-Сервис, Энергия, КИТ, ЖелДорЭкспедиция.
Самовывоз возможен напрямую со склада в Москве.
Сроки доставки
Срок зависит от региона и выбранной транспортной компании. Все заказы комплектуются и отправляются в кратчайшие сроки со склада в Москве.
Надёжность и сохранность
Вся продукция упаковывается с учётом требований транспортировки. Мы гарантируем, что подшипники и комплектующие прибудут к заказчику в полной сохранности.
Доставка в страны ЕАЭС
Мы работаем с проверенными логистическими партнёрами, что позволяет оперативно доставлять заказы в Беларусь, Казахстан, Армению и другие страны ЕАЭС.
Варианты оплаты:
Минимальная сумма заказа и скидки:
Документы и гарантии:
Да, конечно! Наши технические специалисты готовы помочь вам с подбором точного аналога или замены подшипника. Просто позвоните нам по телефону +7 (495) 104-99-04 или напишите на почту zakaz@podsnab.ru.
Для оперативной консультации подготовьте, пожалуйста, имеющиеся данные: маркировку, размеры, тип оборудования или артикул старого подшипника.
Да, конечно! Мы высоко ценим долгосрочное сотрудничество и доверие клиентов по всей России. Для постоянных клиентов действует персональная система скидок.
Условия формируются индивидуально и зависят от:
Чтобы узнать свои условия и получить максимально выгодное предложение, свяжитесь с персональным менеджером или напишите нам на почту zakaz@podsnab.ru.
Вы можете оформить заказ несколькими способами:
Для оформления заказа от юридического лица свяжитесь с нашим отделом по работе с корпоративными клиентами по телефону +7 (495) 104-99-04 или напишите на email zakaz@podsnab.ru, прикрепив реквизиты вашей организации.
Мы оперативно подготовим коммерческое предложение и выставим счет.
Возврат товара надлежащего качества возможен в течение 10 дней с момента получения, если товар не был в употреблении, сохранен товарный вид, упаковка не вскрывалась и присутствуют все сопроводительные документы.
Возврат денежных средств осуществляется в течение 10 рабочих дней после проверки товара складом.
В соответствии с законодательством возврату не подлежат подшипники надлежащего качества, если отсутствует оригинальная упаковка или имеются следы монтажа.
В случае выявления брака или гарантийного случая мы гарантируем возврат или обмен товара.
Да, гарантийный срок хранения устанавливается заводом-изготовителем и в среднем составляет 2 года при соблюдении условий хранения: сухое помещение, оригинальная упаковка и смазка.
Точный срок для конкретного типа подшипника уточняйте у наших менеджеров.
Пн–Пт: с 8:00 до 17:00 (МСК).
Сб–Вс: выходные дни.
Заказы на сайте принимаются круглосуточно. Заявки, поступившие после окончания рабочего дня, обрабатываются на следующий рабочий день.
Минимальная сумма заказа для доставки составляет 3000 рублей. Самовывоз со склада возможен на любую сумму при наличии товара.
ООО «УралТехГрупп»
ИНН: 7415093830
КПП: 772401001
ОГРН: 1167456069021
Банк: ПАО Сбербанк
Р/с: 40702810838000475273
К/с: 30101810400000000225
БИК: 044525225
У подшипника NUP2206EG пока нет отзывов. Вы можете стать первым покупателем, поделившимся своим мнением.