Поиск подшипника
Статьи
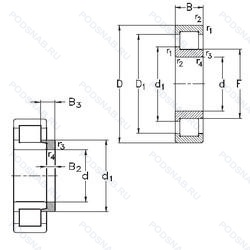
NJ2206-E-TVP3+HJ2206-E — Роликовый радиальный однорядный подшипник, модификация основного исполнения NJ2206, производство NKE.
Размер подшипника: 30x62x20 мм.
Однорядный цилиндрический роликоподшипник. Наружное кольцо имеет два борта, наружное — один борт, цельный сепаратор из полиамида pa66-gf25. сепаратор оконного типа. направляемый телами качения, повышенная грузоподъемность.
Международная стандартизации ISO
NJ2206ETVP3HJ2206E
В наличии
| Обозначение | Конструктивные изменения |
|---|---|
| NJ2206E B MA6 C3 SQ52 | Внутренний зазор больше нормального. Повышенная грузоподъемность. Свободный ход шариков. Изготовленный из двух частей латунный сепаратор. Центрирование по внешнему кольцу. Различные конструкции или сорта материалов обозначаются цифрой или буквой.. Оптимизированное исполнение для высоких осевых нагрузок. |
| NJ2206-E-TVP3 | Повышенная грузоподъемность. Цельный сепаратор из полиамида PA66-GF25. сепаратор оконного типа. направляемый телами качения. |
| NJ2206E MA6 C4 SQ52 | Внутренний зазор подшипника больше. чем C3. Усиленный элемент качения. Two-Piece Machined Brass Cage. Outer Ring Centered. Different Designs Or Material Grades Are Identified By A Figure Or A Letter. e.g. Оптимизированное исполнение для высоких осевых нагрузок. |
| NJ2206-E-XL-M1A | Повышенная грузоподъемность. Серия X-Life премиум-класс. увеличиный срок службы. Массивный латунный сепаратор. двухтельный. центрированный по бортам. |
| NJ2206ET | Сквозная закалка и шлифовка стали с переломом в одной точке. |
| NJ2206-E-TVP3-C3 | Внутренний зазор больше нормального. Увеличенная грузоподъёмность. Цельный сепаратор из полиамида PA66-GF25. сепаратор оконного типа. направляемый телами качения. |
| NJ2206ECPH/C3 | Внутренний зазор больше нормального. Оптимизированная внутренняя конструкция предусматривает увеличенное количество роликов и/или ролики большего размера с улучшенными условиями контакта торцов роликов с бортами внутреннего кольца. Литой сепаратор из усиленного стекловолокном полиэфирэфиркетона (PEEK). Центрированный ролик. |
| NJ2206ES | Разъемное наружное кольцо со смазочными отверстиями. |
| NJ2206EM | Стандартный фланцевый ( с резьбой и сквозным отверстием). |
| NJ2206ECMA/P6 | Изготовленный из двух частей латунный сепаратор. внешнее кольцо по центру. Размерные и геометрические допуски соответствуют классу точности P6. Оптимизированная внутренняя конструкция предусматривает увеличенное количество роликов и/или ролики большего размера с улучшенными условиями контакта торцов роликов с бортами внутреннего кольца. |
| NJ2206E C3 | Внутренний зазор больше нормального. Повышенная грузоподъемность. |
| NJ2206E.TVP2.C4 | Внутренний зазор подшипника больше. чем C3. Повышенная грузоподъемность. Cепаратор изготовленный из полиамида PA66. армированного стекловолокном. |
| NJ2206W C4 | Внутренний зазор подшипника больше. чем C3. Сепаратор из стали. |
| NJ2206E G15 | Повышенная грузоподъемность. Литой сепаратор из полиамида 6.6. армированного стекловолокном. Элемент качения по центру. |
| NJ2206ZS | Цилиндрический роликоподшипник. Взаимозаменяемые уменьшенные радиальные зазоры в пределах ограниченной группы зазоров. В соответствии с DIN43283. |
| NJ2206W | Цельный прессованный сепаратор. |
| NJ2206ECP/C4VQ015 | Внутренний зазор подшипника больше. чем C3. Оптимизированная внутренняя конструкция предусматривает увеличенное количество роликов и/или ролики большего размера с улучшенными условиями контакта торцов роликов с бортами внутреннего кольца. Сепаратор из стеклонаполненного полиамида PA66. центрируемый по роликам. Внутреннее кольцо с конической дорожкой для увеличения допустимой погрешности смещения. |
| NJ2206-E-TVP3-P63 | Повышенная грузоподъемность. Комбинация P6 (Точность размеров и пробега в соответствии с классом допуска ISO 6 (лучше нормы)) и C3 (Внутренний зазор больше нормы). Цельный сепаратор из полиамида PA66-GF25. сепаратор оконного типа. направляемый телами качения. |
| NJ2206R | Повышенная грузоподъемность по сравнению со стандартной серией. Различная внутренняя конструкция. |
| NJ2206-E-TVP2 + HJ2206-E | Повышенная грузоподъемность. Твердый сепаратор оконного типа из армированного стекловолокном полиамида. |
| NJ2206EG | Игольчатые сепараторы для шатунов двигателей. |
| NJ2206-E-MPA+HJ2206-E | Повышенная грузоподъемность. Твердый латунный сепаратор. |
| NJ2206-E-MPA | Повышенная грузоподъемность. Твердый латунный сепаратор. |
| NJ2206 EN | Увеличенная грузоподъемность и канавка под стопорное кольцо на наружном кольце. |
| NJ2206 ETN | Цилиндрический роликовый подшипник. Дополнительная грузоподъемность с сепаратором из полиамида 6-6. |
Модификации роликового подшипника NJ2206-E-TVP3+HJ2206-E — это измененное основное конструктивное исполнение NJ2206, основные размеры (30x62x20) не отличаются.
| Обозначение | Гост | Конструктивные особенности |
|---|---|---|
| 6-32506-Б | ГОСТ | Сепаратор из безоловянистой бронзы.. |
| NUP2206-E-MPA | ISO | Повышенная грузоподъемность. Твердый латунный сепаратор. |
| J30-18/VP39-2 | ISO | ISO Tolerance Class ABEC.9. 18° Угол контакта. |
| NU2206E.TVP | ISO | Повышенная грузоподъемность. Molded Snap-Type Cage Of Glass Fibre Reinforced Polyamide. Rolling Element Riding. |
| NUP2206E.TVP | ISO | Повышенная грузоподъемность. Molded Snap-Type Cage Of Glass Fibre Reinforced Polyamide. Rolling Element Riding. |
| 102506-М | ГОСТ | Модифицированный контакт.. |
| 20-102506 М | ГОСТ | Модифицированный контакт.. |
| 2В0-102506 М | ГОСТ | Модифицированный контакт.. |
| NH2206 E | ISO | Повышенная грузоподъемность. |
| N2206E | ISO | Повышенная грузоподъемность. |
| RN306-E-MPBX | ISO | Повышенная грузоподъемность. |
| NH2206 | ISO | Канавка под стопорное кольцо на наружном кольце подшипника. |
| NU2206EG | ISO | Игольчатые сепараторы для шатунов двигателей. |
| NUP2206EG | ISO | Игольчатые сепараторы для шатунов двигателей. |
| NU2206-E-MPA | ISO | Повышенная грузоподъемность. Твердый латунный сепаратор. |
| NU 2206 ECPH | ISO | Однорядный цилиндрический роликовый подшипник. |
| 42506-А1 | ГОСТ | Повышенная грузоподъемность. |
| 42506-Б1 | ГОСТ | Сепаратор из безоловянистой бронзы.. |
| 42506-Д1 | ГОСТ | Сепаратор из алюминиевого сплава.. |
| 6-102506-М | ГОСТ | Модифицированный контакт.. |
Аналог роликового подшипника NJ2206-E-TVP3+HJ2206-E — это подшипник такого же размера dx30,Dx62,Bx20, типа и конструкции.
| Обозначение | Конструктивные особенности | Внутренний (d) | Наружный (D) | Ширина (B) |
|---|---|---|---|---|
| 76-180506 Е8Т2С1 | Шариковый радиальный однорядный подшипник. 200°. Температура отпуска. Смазка ОКБ 122-7. Сепаратор из пластических материалов.. | 30.00 | 62.00 | 20.00 |
| 76-180506 Е8Т2С2 | Шариковый радиальный однорядный подшипник. 200°. Смазка ЦИАТИМ-221. Температура отпуска. Сепаратор из пластических материалов.. | 30.00 | 62.00 | 20.00 |
| 76-180506 ЕТ2С2 | Шариковый радиальный однорядный подшипник. Сепаратор из текстолита.. 200°. Смазка ЦИАТИМ-221. Температура отпуска. | 30.00 | 62.00 | 20.00 |
| 76-180506 Ю4ТС15 | Шариковый радиальный однорядный подшипник. Температура отпуска. 160°. Смазка ВНИИНП-207. Все детали или часть деталей из нержавеющей стали.. | 30.00 | 62.00 | 20.00 |
| 76-180506 Ю4ТС2У | Шариковый радиальный однорядный подшипник. Дополнительные технические требования. Температура отпуска. 160°. Смазка ЦИАТИМ-221. Все детали или часть деталей из нержавеющей стали.. | 30.00 | 62.00 | 20.00 |
| 76-180506 ЮТС15 | Шариковый радиальный однорядный подшипник. Температура отпуска. 160°. Все детали или часть деталей из нержавеющей стали.. Смазка ВНИИНП-207. | 30.00 | 62.00 | 20.00 |
| 76-180506 ЮТС4 | Шариковый радиальный однорядный подшипник. Температура отпуска. 160°. Все детали или часть деталей из нержавеющей стали.. Смазка ЦИАТИМ-221С. | 15.00 | 28.00 | 20.00 |
| 7А-180506 Е | Шариковый радиальный однорядный подшипник. Сепаратор из текстолита.. | 30.00 | 62.00 | 20.00 |
| LG30=5 | Шариковый радиальный однорядный подшипник. Distance Between Beginning Of The Rail And First Hole In MM. | 30.00 | 62.00 | 21.00 |
| CUC206-19 | Шариковый радиальный однорядный подшипник. 1.3/16. | 30.16 | 62.00 | 19.00 |
| CUC206 | Шариковый радиальный однорядный подшипник. Радиальный внутренний зазор С2. | 30.00 | 62.00 | 19.00 |
| 2-80506 ЕС9 | Шариковый радиальный однорядный подшипник. Сепаратор из текстолита.. Смазка ЛЗ-31. | 30.00 | 62.00 | 20.00 |
| 2206-K-2RS+H306 | Шариковый сферический двухрядный подшипник. Коническое внутреннее отверстие. Контактные уплотнения типа RS с обеих сторон игольчатого роликоподшипника. | 30.00 | 62.00 | 20.00 |
| 2206 TN9 | Шариковый сферический двухрядный подшипник. Литой защелкивающийся сепаратор из полиамида. армированного стекловолокном 6.6. | 30.00 | 62.00 | 20.00 |
| 5-32506 Б | Роликовый радиальный подшипник. Сепаратор из безоловянистой бронзы.. | 30.00 | 62.00 | 20.00 |
Способы доставки
Отправка через ведущие транспортные и курьерские компании: ПЭК, Деловые Линии, СДЭК, Байкал-Сервис, Энергия, КИТ, ЖелДорЭкспедиция.
Самовывоз возможен напрямую со склада в Москве.
Сроки доставки
Срок зависит от региона и выбранной транспортной компании. Все заказы комплектуются и отправляются в кратчайшие сроки со склада в Москве.
Надёжность и сохранность
Вся продукция упаковывается с учётом требований транспортировки. Мы гарантируем, что подшипники и комплектующие прибудут к заказчику в полной сохранности.
Доставка в страны ЕАЭС
Мы работаем с проверенными логистическими партнёрами, что позволяет оперативно доставлять заказы в Беларусь, Казахстан, Армению и другие страны ЕАЭС.
Варианты оплаты:
Минимальная сумма заказа и скидки:
Документы и гарантии:
Да, конечно! Наши технические специалисты готовы помочь вам с подбором точного аналога или замены подшипника. Просто позвоните нам по телефону +7 (495) 104-99-04 или напишите на почту zakaz@podsnab.ru.
Для оперативной консультации подготовьте, пожалуйста, имеющиеся данные: маркировку, размеры, тип оборудования или артикул старого подшипника.
Да, конечно! Мы высоко ценим долгосрочное сотрудничество и доверие клиентов по всей России. Для постоянных клиентов действует персональная система скидок.
Условия формируются индивидуально и зависят от:
Чтобы узнать свои условия и получить максимально выгодное предложение, свяжитесь с персональным менеджером или напишите нам на почту zakaz@podsnab.ru.
Вы можете оформить заказ несколькими способами:
Для оформления заказа от юридического лица свяжитесь с нашим отделом по работе с корпоративными клиентами по телефону +7 (495) 104-99-04 или напишите на email zakaz@podsnab.ru, прикрепив реквизиты вашей организации.
Мы оперативно подготовим коммерческое предложение и выставим счет.
Возврат товара надлежащего качества возможен в течение 10 дней с момента получения, если товар не был в употреблении, сохранен товарный вид, упаковка не вскрывалась и присутствуют все сопроводительные документы.
Возврат денежных средств осуществляется в течение 10 рабочих дней после проверки товара складом.
В соответствии с законодательством возврату не подлежат подшипники надлежащего качества, если отсутствует оригинальная упаковка или имеются следы монтажа.
В случае выявления брака или гарантийного случая мы гарантируем возврат или обмен товара.
Да, гарантийный срок хранения устанавливается заводом-изготовителем и в среднем составляет 2 года при соблюдении условий хранения: сухое помещение, оригинальная упаковка и смазка.
Точный срок для конкретного типа подшипника уточняйте у наших менеджеров.
Пн–Пт: с 8:00 до 17:00 (МСК).
Сб–Вс: выходные дни.
Заказы на сайте принимаются круглосуточно. Заявки, поступившие после окончания рабочего дня, обрабатываются на следующий рабочий день.
Минимальная сумма заказа для доставки составляет 3000 рублей. Самовывоз со склада возможен на любую сумму при наличии товара.
ООО «УралТехГрупп»
ИНН: 7415093830
КПП: 772401001
ОГРН: 1167456069021
Банк: ПАО Сбербанк
Р/с: 40702810838000475273
К/с: 30101810400000000225
БИК: 044525225
У подшипника NJ2206-E-TVP3+HJ2206-E пока нет отзывов. Вы можете стать первым покупателем, поделившимся своим мнением.