Поиск подшипника
Статьи
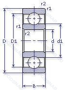
901-ЮТ — Шариковый радиальный однорядный подшипник, модификация основного исполнения 901, производство ГПЗ.
Размер подшипника: 12x28x6 мм.
160°, температура отпуска, все детали или часть деталей из нержавеющей стали.
Государственный стандарт ГОСТ
901ЮТ
В наличии
| Обозначение | Конструктивные изменения |
|---|---|
| 6-901 ЮТ | Температура отпуска. 160°. Все детали или часть деталей из нержавеющей стали.. |
Модификации шарикового подшипника 901-ЮТ — это измененное основное конструктивное исполнение 901, основные размеры (12x28x6) не отличаются.
| Обозначение | Гост | Конструктивные особенности |
|---|---|---|
| 6-7000101 Т | ГОСТ | Температура отпуска. 160°. |
| 6-7000101 ТП | ГОСТ | Температура отпуска. 160°. |
| 7-7000101 | ГОСТ | Шариковый радиальный однорядный подшипник. |
| 7000101-ЮТ | ГОСТ | Температура отпуска. 160°. Все детали или часть деталей из нержавеющей стали.. |
| 75-7000101 БТ2 | ГОСТ | 200°. Температура отпуска. Сепаратор из безоловянистой бронзы.. |
| 76-7000101 ЮТ | ГОСТ | Температура отпуска. 160°. Все детали или часть деталей из нержавеющей стали.. |
| SC01A38 | ISO | Уплотнение из полиакрила. |
| S5KDD | ISO | Сверхмалый размер дюйма. |
| S5PD | ISO | Сверхмалый размер дюйма. |
| S5PPG | ISO | Сверхмалый размер дюйма. |
| AS5KD | ISO | Компоненты с покрытием Protect A имеют суффикс - KD. Protect A - это покрытие из чистого хрома с колончатой структурой поверхности. При использовании Protect A каретки с покрытием и направляющие с покрытием должны всегда комбинироваться. Если каретки с покрытием используются с направляющими без покрытия. например. это приведет к уменьшению преднатяга.. |
| AS5K | ISO | Коническое отверстие. Конусность 1/12. |
| 7000101 | ГОСТ | Шариковый радиальный однорядный подшипник. |
| 25-7000101 Б | ГОСТ | Сепаратор из безоловянистой бронзы.. |
| 35-7000101 Б | ГОСТ | Сепаратор из безоловянистой бронзы.. |
| 5-7000101 | ГОСТ | Шариковый радиальный однорядный подшипник. |
| 5-7000101 Б | ГОСТ | Сепаратор из безоловянистой бронзы.. |
| 5-7000101 БТ2 | ГОСТ | 200°. Температура отпуска. Сепаратор из безоловянистой бронзы.. |
| 5-7000101 Т | ГОСТ | Температура отпуска. 160°. |
| 5-7000101 Т2 | ГОСТ | 200°. Температура отпуска. |
Аналог шарикового подшипника 901-ЮТ — это подшипник такого же размера dx12,Dx28,Bx6, типа и конструкции.
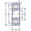
| Обозначение | Конструктивные особенности | Внутренний (d) | Наружный (D) | Ширина (B) |
|---|---|---|---|---|
| S5K | Подшипник однорядный шариковый радиальный. Сверхмалый размер дюйма. | 12.70 | 25.00 | 6.35 |
| 16001ZZ | Подшипник однорядный шариковый радиальный. Защитные металлические шайбы (бесконтактные уплотнения) с обеих сторон подшипника. | 12.00 | 28.00 | 7.00 |
| WR8-2Z | Подшипник однорядный шариковый радиальный. Защитные металлические шайбы с обеих сторон подшипника. | 12.70 | 28.58 | 6.35 |
| 16001C3 | Подшипник однорядный шариковый радиальный. Внутренний зазор больше нормального. | 12.00 | 28.00 | 7.00 |
| 16001JRX | Подшипник однорядный шариковый радиальный. Клепаный сепаратор. где стандартный размер обычно приваривается точечной сваркой. | 12.00 | 28.00 | 7.00 |
| SS16001 2RS | Подшипник шариковый из нержавеющей стали. Резиновые уплотнения с каждой стороны подшипника. | 12.00 | 28.00 | 7.00 |
| R8CM | Подшипник однорядный шариковый радиальный. Шариковый подшипник. Специальный радиальный внутренний зазор для электродвигателей. | 12.70 | 25.00 | 6.35 |
| 16001JRX C3 | Подшипник однорядный шариковый радиальный. Внутренний зазор больше нормального. Клепаный сепаратор. где стандартный размер обычно приваривается точечной сваркой. | 12.00 | 28.00 | 7.00 |
| AS5KDD | Подшипник шариковый из нержавеющей стали. Защитные металлические шайбы по обе стороны подшипника с цилиндрическим наружным диаметром. | 12.70 | 28.57 | 6.35 |
| 16001-2Z | Подшипник однорядный шариковый радиальный. Защитные металлические шайбы с обеих сторон. | 12.00 | 28.00 | 7.00 |
| 16001-2Z-C3 | Подшипник однорядный шариковый радиальный. Внутренний зазор больше нормального. Защитные стальные шайбы с обеих сторон. | 12.00 | 28.00 | 7.00 |
| DDRI-1812ZZ | Подшипник шариковый из нержавеющей стали. Защитные металлические шайбы с обеих сторон. | 12.70 | 28.58 | 6.35 |
| EE4Y | Подшипник однорядный шариковый радиальный. Сепаратор из прессованной латуни. Центрирование шарика. | 12.70 | 28.58 | 6.35 |
| S5KD | Подшипник однорядный шариковый радиальный. Сверхмалый размер дюйма. Металлическая защитная шайба с одной стороны. Conrad (Non-Filling Slot) Type. | 12.70 | 28.57 | 6.35 |
| R8-HLC | Подшипник однорядный шариковый радиальный. Код местонахождения завода. может использоваться в стандартной комплектации. | 12.70 | 25.00 | 6.35 |
Способы доставки
Отправка через ведущие транспортные и курьерские компании: ПЭК, Деловые Линии, СДЭК, Байкал-Сервис, Энергия, КИТ, ЖелДорЭкспедиция.
Самовывоз возможен напрямую со склада в Москве.
Сроки доставки
Срок зависит от региона и выбранной транспортной компании. Все заказы комплектуются и отправляются в кратчайшие сроки со склада в Москве.
Надёжность и сохранность
Вся продукция упаковывается с учётом требований транспортировки. Мы гарантируем, что подшипники и комплектующие прибудут к заказчику в полной сохранности.
Доставка в страны ЕАЭС
Мы работаем с проверенными логистическими партнёрами, что позволяет оперативно доставлять заказы в Беларусь, Казахстан, Армению и другие страны ЕАЭС.
Варианты оплаты:
Минимальная сумма заказа и скидки:
Документы и гарантии:
Да, конечно! Наши технические специалисты готовы помочь вам с подбором точного аналога или замены подшипника. Просто позвоните нам по телефону +7 (495) 104-99-04 или напишите на почту zakaz@podsnab.ru.
Для оперативной консультации подготовьте, пожалуйста, имеющиеся данные: маркировку, размеры, тип оборудования или артикул старого подшипника.
Да, конечно! Мы высоко ценим долгосрочное сотрудничество и доверие клиентов по всей России. Для постоянных клиентов действует персональная система скидок.
Условия формируются индивидуально и зависят от:
Чтобы узнать свои условия и получить максимально выгодное предложение, свяжитесь с персональным менеджером или напишите нам на почту zakaz@podsnab.ru.
Вы можете оформить заказ несколькими способами:
Для оформления заказа от юридического лица свяжитесь с нашим отделом по работе с корпоративными клиентами по телефону +7 (495) 104-99-04 или напишите на email zakaz@podsnab.ru, прикрепив реквизиты вашей организации.
Мы оперативно подготовим коммерческое предложение и выставим счет.
Возврат товара надлежащего качества возможен в течение 10 дней с момента получения, если товар не был в употреблении, сохранен товарный вид, упаковка не вскрывалась и присутствуют все сопроводительные документы.
Возврат денежных средств осуществляется в течение 10 рабочих дней после проверки товара складом.
В соответствии с законодательством возврату не подлежат подшипники надлежащего качества, если отсутствует оригинальная упаковка или имеются следы монтажа.
В случае выявления брака или гарантийного случая мы гарантируем возврат или обмен товара.
Да, гарантийный срок хранения устанавливается заводом-изготовителем и в среднем составляет 2 года при соблюдении условий хранения: сухое помещение, оригинальная упаковка и смазка.
Точный срок для конкретного типа подшипника уточняйте у наших менеджеров.
Пн–Пт: с 8:00 до 17:00 (МСК).
Сб–Вс: выходные дни.
Заказы на сайте принимаются круглосуточно. Заявки, поступившие после окончания рабочего дня, обрабатываются на следующий рабочий день.
Минимальная сумма заказа для доставки составляет 3000 рублей. Самовывоз со склада возможен на любую сумму при наличии товара.
ООО «УралТехГрупп»
ИНН: 7415093830
КПП: 772401001
ОГРН: 1167456069021
Банк: ПАО Сбербанк
Р/с: 40702810838000475273
К/с: 30101810400000000225
БИК: 044525225
У подшипника 901-ЮТ пока нет отзывов. Вы можете стать первым покупателем, поделившимся своим мнением.