Поиск подшипника
Статьи
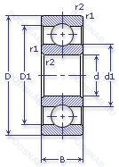
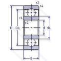
25-1000084 — Шариковый радиальный однорядный подшипник, модификация основного исполнения 1000084, производство ГПЗ.
Размер подшипника: 4x9x2 мм.
Аналоги: 6184.
Государственный стандарт ГОСТ
251000084
В наличии
| Обозначение | Конструктивные изменения |
|---|---|
| 5-1000084 ЮУТ | Дополнительные технические требования. Температура отпуска. 160°. Все детали или часть деталей из нержавеющей стали.. |
| 5-1000084 0Р3 | Детали из теплоустойчивой (быстрорежущие) стали.. |
| 1000084 | Шариковый радиальный однорядный подшипник. Основное конструктивное исполнение. |
| 05-1000084 | Шариковый радиальный однорядный подшипник. |
| 1000084-ZZ | Защитные металлические шайбы с обеих сторон. |
| 1000084-ЮТ | Температура отпуска. 160°. Все детали или часть деталей из нержавеющей стали.. |
| 1М5-1000084 | Модифицированный контакт.. |
| 25-1000084 ЮТ | Температура отпуска. 160°. Все детали или часть деталей из нержавеющей стали.. |
| 4-1000084 | Шариковый радиальный однорядный подшипник. |
| 5-1000084 | Шариковый радиальный однорядный подшипник. |
| 5-1000084 П | Шариковый радиальный однорядный подшипник. |
| 5-1000084 Т2 | 200°. Температура отпуска. |
| 5-1000084 ЮТ | Температура отпуска. 160°. Все детали или часть деталей из нержавеющей стали.. |
| 5-1000084 ЮТП | Температура отпуска. 160°. Все детали или часть деталей из нержавеющей стали.. |
| 5М4-1000084 | Модифицированный контакт.. |
| 5М5-1000084 | Модифицированный контакт.. |
| 6-1000084 | Шариковый радиальный однорядный подшипник. |
| 6-1000084 ЮТ | Температура отпуска. 160°. Все детали или часть деталей из нержавеющей стали.. |
Модификации шарикового подшипника 25-1000084 — это измененное основное конструктивное исполнение 1000084, основные размеры (4x9x2) не отличаются.
| Обозначение | Гост | Конструктивные особенности |
|---|---|---|
| 618/4 | ISO | Шариковый радиальный однорядный подшипник. |
| 22-80084 ЮТС21 | ГОСТ | Температура отпуска. 160°. Смазка ЭРА. Все детали или часть деталей из нержавеющей стали.. |
| 22-80085 ЮТС21 | ГОСТ | Температура отпуска. 160°. Смазка ЭРА. Все детали или часть деталей из нержавеющей стали.. |
| 24-45 Ю | ГОСТ | Все детали или часть деталей из нержавеющей стали.. |
| 24-45 Ю4Т | ГОСТ | Температура отпуска. 160°. Все детали или часть деталей из нержавеющей стали.. |
| 25-1000093 У | ГОСТ | Дополнительные технические требования. |
| 25-1000093 УП | ГОСТ | Дополнительные технические требования. |
| 25-1000093 ЮТ | ГОСТ | Температура отпуска. 160°. Все детали или часть деталей из нержавеющей стали.. |
| 25-1000093 ЮТП | ГОСТ | Температура отпуска. 160°. Все детали или часть деталей из нержавеющей стали.. |
| 26-1000093 ЮТ | ГОСТ | Температура отпуска. 160°. Все детали или часть деталей из нержавеющей стали.. |
| 26-1000093 ЮТП | ГОСТ | Температура отпуска. 160°. Все детали или часть деталей из нержавеющей стали.. |
| 2М5-1000093 ЮТ | ГОСТ | Температура отпуска. 160°. Все детали или часть деталей из нержавеющей стали.. |
| 2М6-1000093 ЮТ | ГОСТ | Температура отпуска. 160°. Все детали или часть деталей из нержавеющей стали.. |
| 4-640013 Ю1Т | ГОСТ | Температура отпуска. 160°. Все детали или часть деталей из нержавеющей стали.. |
| 4-640013 ЮТ | ГОСТ | Температура отпуска. 160°. Все детали или часть деталей из нержавеющей стали.. |
| 45-Ю2 | ГОСТ | Все детали или часть деталей из нержавеющей стали.. |
| 45-Ю4Т | ГОСТ | Температура отпуска. 160°. Все детали или часть деталей из нержавеющей стали.. |
| 5-1000093 ЮТ | ГОСТ | Температура отпуска. 160°. Все детали или часть деталей из нержавеющей стали.. |
| 5-1000093 ЮТП | ГОСТ | Температура отпуска. 160°. Все детали или часть деталей из нержавеющей стали.. |
| 5-640013 К | ГОСТ | «Замок» (скос) на внутреннем кольце плюс массивный сепаратор из текстолита. |
| 6-1000093 ЮТ | ГОСТ | Температура отпуска. 160°. Все детали или часть деталей из нержавеющей стали.. |
Аналог шарикового подшипника 25-1000084 — это подшипник такого же размера dx4,Dx9,Bx2, типа и конструкции.
| Обозначение | Конструктивные особенности | Внутренний (d) | Наружный (D) | Ширина (B) |
|---|---|---|---|---|
| SMF95-TT | Шариковый радиальный подшипник. Комплект из трех согласованных однорядных радиально-упорных шарикоподшипников или радиально-упорных шарикоподшипников, расположенных тандемно. | 5.00 | 9.00 | 3.00 |
| SMR95-TT | Шариковый радиальный подшипник. Комплект из трех согласованных однорядных радиально-упорных шарикоподшипников или радиально-упорных шарикоподшипников, расположенных тандемно. | 5.00 | 9.00 | 3.00 |
| 603H | Шариковый радиальный подшипник. Pressed Snap-Type Steel Cage. Hardened. | 3.00 | 9.00 | 3.00 |
| 693H | Шариковый радиальный подшипник. Pressed Snap-Type Steel Cage. Hardened. | 3.00 | 8.00 | 3.00 |
| F603H | Шариковый радиальный подшипник. Pressed Snap-Type Steel Cage. Hardened. | 3.00 | 9.00 | 3.00 |
| F684H | Шариковый радиальный подшипник. Pressed Snap-Type Steel Cage. Hardened. | 4.00 | 9.00 | 2.50 |
| W 603 R | Шариковый радиальный подшипник. Нержавеющая сталь. С выпуклыми асимметричными роликами и обработанным сепаратором. | 3.00 | 9.00 | 3.00 |
| W 617/4 XR | Шариковый радиальный подшипник. Нержавеющая сталь. Подшипник с чрезвычайно высокой точностью вращения (Abec9) и допуском формы (Abec7). | 4.00 | 8.00 | 2.00 |
| W 618/4 R | Шариковый радиальный подшипник. Нержавеющая сталь. С выпуклыми асимметричными роликами и обработанным сепаратором. Подшипник с чрезвычайно высокой точностью вращения (Abec9) и допуском формы (Abec7). | 4.00 | 9.00 | 2.50 |
| W 627/5 R-2Z | Шариковый радиальный подшипник. Защитные металлические шайбы с обеих сторон подшипника. Нержавеющая сталь. С выпуклыми асимметричными роликами и обработанным сепаратором. Distance Between Beginning Of The Rail And First Hole In MM. | 5.00 | 8.00 | 2.50 |
| W 637/4 XR-2Z | Шариковый радиальный подшипник. Защитные металлические шайбы с обеих сторон подшипника. Нержавеющая сталь. Подшипник с чрезвычайно высокой точностью вращения (Abec9) и допуском формы (Abec7). | 4.00 | 8.00 | 3.00 |
| W 637/4 XR | Шариковый радиальный подшипник. Нержавеющая сталь. Подшипник с чрезвычайно высокой точностью вращения (Abec9) и допуском формы (Abec7). | 4.00 | 10.00 | 3.00 |
| 24-45-Ю2 | Шариковый радиальный подшипник. Все детали или часть деталей из нержавеющей стали.. | 4.50 | 8.00 | 2.50 |
| 5М4-2076084 ЕП | Шариковый радиально-упорный однорядный подшипник. Сепаратор из текстолита.. | 4.00 | 9.00 | 3.00 |
| 5М4-2076084 ЮУТ | Шариковый радиально-упорный однорядный подшипник. Дополнительные технические требования. Температура отпуска. 160°. Все детали или часть деталей из нержавеющей стали.. | 4.00 | 9.00 | 3.00 |
Способы доставки
Отправка через ведущие транспортные и курьерские компании: ПЭК, Деловые Линии, СДЭК, Байкал-Сервис, Энергия, КИТ, ЖелДорЭкспедиция.
Самовывоз возможен напрямую со склада в Москве.
Сроки доставки
Срок зависит от региона и выбранной транспортной компании. Все заказы комплектуются и отправляются в кратчайшие сроки со склада в Москве.
Надёжность и сохранность
Вся продукция упаковывается с учётом требований транспортировки. Мы гарантируем, что подшипники и комплектующие прибудут к заказчику в полной сохранности.
Доставка в страны ЕАЭС
Мы работаем с проверенными логистическими партнёрами, что позволяет оперативно доставлять заказы в Беларусь, Казахстан, Армению и другие страны ЕАЭС.
Варианты оплаты:
Минимальная сумма заказа и скидки:
Документы и гарантии:
Да, конечно! Наши технические специалисты готовы помочь вам с подбором точного аналога или замены подшипника. Просто позвоните нам по телефону +7 (495) 104-99-04 или напишите на почту zakaz@podsnab.ru.
Для оперативной консультации подготовьте, пожалуйста, имеющиеся данные: маркировку, размеры, тип оборудования или артикул старого подшипника.
Да, конечно! Мы высоко ценим долгосрочное сотрудничество и доверие клиентов по всей России. Для постоянных клиентов действует персональная система скидок.
Условия формируются индивидуально и зависят от:
Чтобы узнать свои условия и получить максимально выгодное предложение, свяжитесь с персональным менеджером или напишите нам на почту zakaz@podsnab.ru.
Вы можете оформить заказ несколькими способами:
Для оформления заказа от юридического лица свяжитесь с нашим отделом по работе с корпоративными клиентами по телефону +7 (495) 104-99-04 или напишите на email zakaz@podsnab.ru, прикрепив реквизиты вашей организации.
Мы оперативно подготовим коммерческое предложение и выставим счет.
Возврат товара надлежащего качества возможен в течение 10 дней с момента получения, если товар не был в употреблении, сохранен товарный вид, упаковка не вскрывалась и присутствуют все сопроводительные документы.
Возврат денежных средств осуществляется в течение 10 рабочих дней после проверки товара складом.
В соответствии с законодательством возврату не подлежат подшипники надлежащего качества, если отсутствует оригинальная упаковка или имеются следы монтажа.
В случае выявления брака или гарантийного случая мы гарантируем возврат или обмен товара.
Да, гарантийный срок хранения устанавливается заводом-изготовителем и в среднем составляет 2 года при соблюдении условий хранения: сухое помещение, оригинальная упаковка и смазка.
Точный срок для конкретного типа подшипника уточняйте у наших менеджеров.
Пн–Пт: с 8:00 до 17:00 (МСК).
Сб–Вс: выходные дни.
Заказы на сайте принимаются круглосуточно. Заявки, поступившие после окончания рабочего дня, обрабатываются на следующий рабочий день.
Минимальная сумма заказа для доставки составляет 3000 рублей. Самовывоз со склада возможен на любую сумму при наличии товара.
ООО «УралТехГрупп»
ИНН: 7415093830
КПП: 772401001
ОГРН: 1167456069021
Банк: ПАО Сбербанк
Р/с: 40702810838000475273
К/с: 30101810400000000225
БИК: 044525225
У подшипника 25-1000084 пока нет отзывов. Вы можете стать первым покупателем, поделившимся своим мнением.